 
 
	  超聲波油耗設備是一款為企業的車隊管理者設計的油量監控設備,可用于防范司機偷油、優化運營成本、優化司機駕駛行為、輔助統計決策等。傳感器利用超聲波探頭來探測油位高度,再通過主機的內置程序對油量高度信號進行智能處理,將油量信息通過GPS發送到系統平臺,解析后生成油量報表。傳感器支持串口與模擬量輸出,與大多數品牌的GPS/北斗一體機實現對接,可輕松的將傳感器接入后臺監管系統。
  產品采用的是由本公司自主研發并國內超聲波油耗設備技術,目前廣泛應用于汽車油耗監控項目;并遠銷海外。
	 
 
	 
 
	 
 
	 
 
	 
 
	 
 
	
	 
 
	
	 
 
	
	 
 
	
	 
 
	
	 
 
	 
 
	 
 
	
	
超聲波液位傳感器
	
ACT系列默認參數:
?測量柴油和汽油液位,測量水位或其他液體液位請聯絡我們;
?安裝固定方式適合金屬材質油箱或罐體,塑料材質請參考超薄款;
?默認長潤協議模擬量65535=100cm,走長潤協議定位主機及油箱或罐體高度超過100cm請聯系修改。
	
一、概述
1、產品簡介
ACT采用高頻超聲波檢測技術對燃油、液態物質進行非接觸液面高度測量的傳感裝置。超聲波液位與傳統液位檢測設備相比,測量精度高、使用簡便,可外貼安裝(不破壞容器結構)、可接駁聯網設備實現液位遠程監控。超聲波油位傳感器專對車輛油量監測進行安裝以及算法優化,能適應復雜路況及特殊油箱車輛進行實時油量監測,并對危險品運輸車罐體液位也能輸出穩定的數據。
	
2、產品特點
?防水、輕量化結構設計,外貼不開孔安裝;
?雙螺栓固定支架,安裝簡單、固定牢固、方便拆卸;
?直流5V和9~36V供電,適配各種定位主機及車輛;
?RS232/RS485/4-20mA電流/0-5V電壓模擬量四種通訊接口;
?信號強度強,適應不同材質的油箱和罐體;
?內置抗干擾結構和電路,智能算法過濾、高穩定輸出;
?內置高精計算模型,毫米級測量分辨率;
	
	
 
 
	
	
3、適用范圍
?車輛遠程油耗監測;
?危化品運輸車罐體液位監測;
?工程機械油耗遠程監測;
?灑水車水罐水位監測;
?船用油箱油耗監測;
?儲液罐(單層)液體液位測量;
?灌裝液態燃氣測量。
 
 
	
	
二、電氣性能
1、基本參數
	
	
| 參數 | 規格描述 | 單位 | 備注 | |
| 輸入電壓 | DC5 | DC9~36 | V | 兩款電壓版本 | 
| 工作電流 | ≦20 | ≦30 | mA | 電壓越大電流越小 | 
| 防爆等級 | 本安 Exia II CT6 | 
						 | 
						 | |
| 測量范圍 | 46~1000 | mm | (1) | |
| 測量精度 | ≤0.5%FS | 
						 | (1) | |
| 分辨率 | 0.1 | mm | 
						 | |
| 測量角度 | 0~5 | ° | (2) | |
| 被測容器厚度 | 0.6~5.0 | mm | 盲區5cm(3) | |
| 5.0~10.0 | mm | 盲區10cm(3) | ||
| ≥10.0 | mm | (3) | ||
| 通訊接口 | RS232 / RS485 | 
						 | (4) | |
| 通訊速率 | 9600 | bit/S | 波特率可調 | |
| 線序定義 | 黑色-地線; 紅色-正極; 黃色-TX/B; 綠色-RX/A | |||
備注:
(1)常溫1個標準大氣壓,默認測量液體為0#柴油。量程可修改,檢測量程大于100cm或其他液體介質,請說明,可修改量程和液體對應聲速出貨;
(2)容器壁厚2mm,鋼材質,內容10~100cm柴油,變換容器傾斜角度測試;
(3)盲區值視容器的材質和厚度決定,5~10mm壁厚盲區值需要改小,或≥10mm壁厚盲區值設定,請提供材質和準確壁厚,可重新設定盲區值出貨;
(4)長期備貨為RS232和RS485接口,電壓和電流模擬量輸出請提前預定,RS232傳輸距離建議小于10m,超過10m通訊距離請選RS485。
2、額定環境條件
| 項目 | 最小值 | 典型值 | 最大值 | 單位 | 備注 | 
| 存貯溫度 | -45 | 25 | 80 | ℃ | 
						 | 
| 工作溫度 | -40 | 25 | 75 | ℃ | 
						 | 
3、可靠性測試條件
	
| 序號 | 測試項目 | 實驗條件 | 樣品數量 | 
| 1 | 高溫高濕工作 | 75℃,85%RH,Power ON@24V,240hrs | 3 | 
| 2 | 低溫工作 | -40℃,Power ON@24V,240hrs | 3 | 
| 3 | 高溫高濕存貯 | 80℃,90%RH,storage,120hrs | 3 | 
| 4 | 低溫存貯 | -45℃,storage,120hrs | 3 | 
| 5 | 振動試驗 | 10-200Hz,15min,2.0G,XYZ三個軸向,每個軸向0.5小時 | 3 | 
| 6 | 跌落試驗 | 1.2m自由落體跌落,5次@木質地板 | 3 | 
注意:試驗后模塊通過功能測試即判定OK,性能衰減率≤10%。
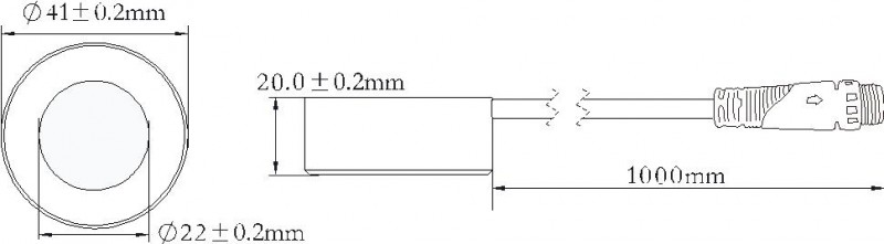
4、產品尺寸

	
三、通訊說明
1、協議適用范圍
傳感器RS232/RS485兩種硬件接口進行通訊,可在自動協議模式、MODBUS受控協議模式、電容油桿協議各模式下工作(自動協議和電容油桿協議集成在一起,默認為自動輸出模式,使用受控協議,發對應命令即可自動切換到所需模式),協議(同時支持很多私有受控協議)不同控制方式也有所不同,購買時需說明所需協議類型。
2、通訊格式
| 接口 | 波特率 | 數據位 | 停止位 | 校驗位 | 
| RS232 | 9600 bit/S | 8 | 1 | 無 | 
| RS485 | 9600 bit/S | 8 | 1 | 無 | 
3、自動輸出協議
(1)數據幀結構
*XD , 小時 , ID號 , 液位 , 實時值 , 信號質量 , 溫度 ,檢驗碼#
	
(2)數據范圍說明
| 名稱 | 頭碼 | 小時 | ID號 | 液位值 | 實時值 | 信號質量 | 溫度 | 校驗和 | 結束碼 | 
| 值范圍 | *XD | 
					0000-  | 
					00-  | 
					0000-  | 
					0000-  | 
					0000-  | 0248 | 
					0000-  | # | 
| 說明 | - | 
					單位:  | 任意兩位字符 | 
					單位:  | 
					單位:  | - | 
					單位:  | - | - | 
	(3)操作示例 
設備定時2秒時間自動上傳一次液位信息,如下表格:
| 頭碼 | 小時 | ID號 | 液位值 | 實時值 | 信號質量 | 溫度值 | 檢驗和 | 結束碼 | 
| *XD | 0000 | 01 | 1786 | 1796 | 0000 | 0320 | 1371 | # | 
| 
					幀的數據格式為:*XD,0000,01, 1786,1796,0000,0320,1371#  | ||||||||
	4、MODBUS受控協議 
(1)寄存器功能列表 
模式:RTU,傳感器為從機,傳感器地址:01(0x01)默認;0XFF為廣播地址; 
校驗使用: CRC-16/MODBUS  x16+x15+x2+1;
| MODBUS (03)讀功能寄存器地址 | ||||
| 狀態 | 地址 | Byte_H | Byte_L | 說明 | 
| 只讀 | 0X00FF | 
						軟件  | 
						系統  | 
						版本1.0 : 10(0x0A),  | 
| 只讀 | 0X0100 | 距離 | 單位:0.1mm | |
| 只讀 | 0X0101 | 溫度 | 單位:0.1℃ | |
| 只讀 | 0X0102 | 小時 | 開機時間計時,斷電不保存,分鐘數據僅低字節有效 | |
| 只讀 | 0X0103 | 分鐘 | ||
| 只讀 | 0X0104 | 報警狀態 | 
						低字節有效,報警:166(0xAA)  | |
| MODBUS (06)寫功能寄存器地址規劃 | ||||
| 讀寫 | 0X0105 | 聲速 | 
						聲波在介質中的傳播速度  | |
| 讀寫 | 0X0106 | 波特率 | 0x01-9600(默認), 0x02-14400,0x03-19200,0x04-38400,0x05-56000, 0x06-57600,0x07-76800, 0x08-115200,0x09-128000 | |
| 讀寫 | 0X0107 | 設置地址 | 設置地址時,對未知的設備地址用0xFF代替,同時設置的地址不能為0xFF,默認0x01 | |
| 讀寫 | 0X0108 | 設置報警閥值 | 范圍(15-60)mm/30s 默認30mm/30s | |
| 讀寫 | 0X0109 | 設置報警時間 | 范圍(15-250)S /次 默認60s/次 | |
| 讀寫 | 0X010A | 校正(升) | 默認該功能關閉 | |
| 只讀 | 0X010B | 容量(標定后) | 該功能保留 | |
| 讀寫 | 0X010C | 設置自動發送時間 | 設置自動輸出信號的間隔時間范圍(2-15)S | |
| 只讀 | 0X010D | 信號質量 | 表示當前傳感器獲取信號質量的優劣,值越小,表示信號質量越高 | |
| 讀寫 | 0X010E | 設置最大的測量距離 | 設置距離范圍(100-1000)mm | |
| 只寫 | 0X010F | 設置由受控輸出轉為自動輸出 | 當產品處于受控輸出時,可通過指令調整為自動輸出 | |
| 讀寫 | 0X0110 | 設置測量介質模式 | 
						0X01為測油模式,0x02為測水模式 ;  | |
| 注:不正常標志用來指示傳感器電路的工作狀態,傳感器在檢測到超聲波測量狀態異常、溫度測量異常時,置傳感器異常標志,表示此時數據的不可參考性。 | ||||
5、電容油桿兼容協議(長潤協議)
(1)設置液位傳感器ID(多傳感器,使用485/232通訊ID默認為01)
由終端或電腦發往液位儀的命令ASCII: $!ID0133
ID為命令 01為ID值
十六進制 : 24 21 49 44 30 31 33 33 0D 0A
液位儀回復:
ASCII : *SID01OKOKOK39 表示成功。
*SID01NONONO42 表示失敗。
01表示設置的ID值,OKOKOK表示設置成功,ONONON表示設置失敗。
十六進制 : 2A 53 49 44 30 31 4F 4B 4F 4B 4F 4B 33 39 0D 0A
2A 53 49 44 30 31 4E 4F 4E 4F 4E 4F 34 32 0D 0A
2)讀液位濾波數字量值(推薦作為GPS設備讀取命令):
由終端或電腦發往油位計的命令:
ASCII : $!RY0151
十六進制 : 24 21 52 59 30 31 35 31 0D 0A
油位計回復:
ASCII : *CFV0100FA32B6
協議解釋: *CFV 為協議輸出;01 為返回地址位;00FA32為當前AD值,00為不足6個字節補0代替,FA32為當前油位AD值ASCII表示的十六進制, 即表示當前油位值為0xFA32;B6為和校驗。
	
液位換算: *CFV0100FA32B6 :00FA32(16進制)= 64050(十進制)
-> 64050 / 65535*1000 ≈ 977.3 mm
	
注: 此AD值為油位0%~~100%變化而對應的000000~~00FFFF的AD值
十六進制: 2A 43 46 56 30 31 30 30 46 41 33 32 42 36 0D 0A
	
(3)設置及查詢超聲波液位盲區值
盲區設置指令:
ASCII:$!SQxxyy
xx是00~99 (00cm-99cm,步進1cm)
yy是$+!+S+Q+x+x的總和
	
例如: $!SQ054E、$!SQ104A、$!SQ154F……
設置超聲波油位傳感器盲區(默認為5cm),由終端或電腦發往傳感器的命令:
ASCII:$!SQ054E (SQ為命令,05為5cm值,步進為1cm,最大99cm)
十六進制:24 21 53 51 30 35 34 45 OD OA
命令解釋:24 21 53 51 為固定格式,30 35為盲區值(表示5cm盲區, 最大99cm),34 45為24-45的和校驗。
	
盲區查詢指令:
ASCII:$SSQ104A
十六進制:24 53 53 51 31 30 34 41 OD OA
傳感器回復:*SSQ05OKOKOK86 (之前設置盲區5cm)
	
注意:設置傳感器ID命令兼容油桿修改ID的指令,可用油桿手柄修改ID;
ACT液位傳感器沒有阻尼系數設置,不支持修改;
設置查詢盲區值指令非長潤協議內容,只支持ACT液位傳感器修改。
四、選型說明
傳感器型號相對應出廠前選擇,用戶可根據實際使用需求選擇相對應型號。

	
	
 
| 序號 | 名稱 | 數量 | 單位 | 用途 | 備注 | 
| 1 | 傳感器 | 1 | 個 | 
						 | 自帶密封圈 | 
| 2 | 雙螺栓固定支架 | 1 | 個 | 固定傳感器 | 上下螺帽上緊 | 
| 3 | 延長線 | 1 | 條 | 8m裸線/3.5m防水線 | 8m裸線可打端子 | 
| 安裝輔材 | |||||
| 1 | 扳手 | 1 | 個 | 支架螺絲緊固 | 
						 | 
| 2 | 卡夫特AB膠 | 1 | 盒 | 粘貼固定支架 | 1:1混合均勻 | 
| 3 | 找點耦合劑 | 1 | 支 | 測試找點 | 密封圈內涂滿 | 
| 4 | 安裝黃油 | 1 | 支 | 傳感器安裝時耦合 | 密封圈內涂滿 | 
| 5 | 密封硅膠 | 1 | 支 | 傳感器密封,螺絲防松 | 防護傳感器和支架 | 
| 6 | 砂紙 | 1 | 張 | 打磨油箱 | 建議自帶 | 
| 7 | 擦拭抹布 | 1 | 
						 | 清潔油箱底部 | 建議自帶 | 
| 8 | 扎帶 | 5 | 個 | 固定線纜 | 建議自帶 | 
| 液位讀取工具 | |||||
| 1 | 顯示板 | / | 個 | 測試安裝讀取液位 | 選配 | 
| 2 | 充電寶 | / | 
						 | 顯示板讀取液位供電 | 自帶 | 
| 
						整套產品:毛重0.45Kg,包裝尺寸:23.2cm x 16.2cm x H5.9cm  | |||||
六、注意事項
?請確認好購買傳感器電壓版本與供電電壓匹配,否則會燒掉傳感器;
?特殊要求線材或者防水頭規格,請聯系我們,另行報價;
?傳感器通訊方式請提前和定位主機廠家確認OK,并保證支持油耗;
?特殊私有協議,請提前把協議發給我們對接確認;
?傳感器只與定位主機通訊,監控平臺數據不通請對接定位主機廠家;
?安裝時需保證車輛停靠在平坦路面,且油箱內液位高度大于傳感器盲區值;
?安裝超聲波傳感器時,需要按照安裝說明進行,并帶齊配件和相應工具。
	
七、售后服務
?本產品自出貨之日起,享受一年保修服務;
?保修期內屬非人為因素或產品質量造成的設備損壞,請及時與我們聯系處理;
?對客戶私自拆動或不可抗力(如洪水,車輛事故)造成的損壞不予維修;
?保修期滿后,由于使用造成的產品損壞、故障,需要收取維修材料成本費;
?免費為客戶提供產品的購買、使用、安裝、測試等咨詢及技術服務。
	
				
			
聯系我們
 
		聯系人:陳經理
電 話:18816179897
電 話:15762895397
公司地址:山東省淄博市張店區中關
村科技城E座四樓
淄博世紀銳行電子科技有限公司
